Estação de bombeamento de irrigação agrícola inteligente MPIS
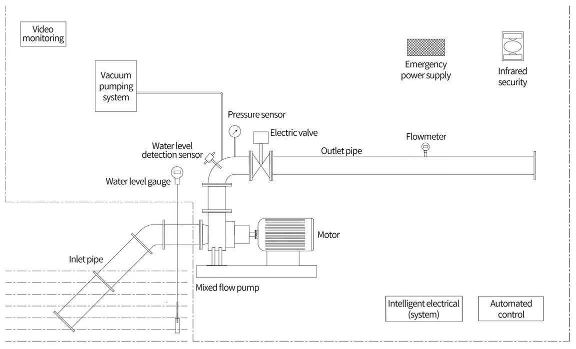
A estação de bombeamento inteligente para irrigação agrícola MPIS da SINOSO é um sistema de irrigação e drenagem multifuncional habilitado para IoT que incorpora controle automatizado, medição de vazão, videomonitoramento e proteção inteligente. Projetada para flexibilidade e eficiência, apresenta uma estrutura modular e móvel que permite operação remota e gerenciamento centralizado. A estação adota um design em estilo pavilhão e é construída com materiais inovadores e ecológicos. Está disponível em três tamanhos padrão (2,1 × 2,1 m, 2,1 × 4,2 m e 2,7 × 2,7 m), com uma área máxima de menos de 10 metros quadrados, o que a torna eficiente em termos de espaço e fácil de implementar em diversas configurações.
Características do produto
1. Tecnologias principais
- Automação de Processos: Ajuste adaptativo controlado por CLP
- Sistema de segurança: detecção infravermelha de canal duplo + vigilância por vídeo 1080p
- Gestão de fluxo: medição ultrassônica certificada ISO 4064-B
- Conectividade: protocolos industriais MQTT 5.0 e OPC UA
2. Especificações físicas
| Modelo MPIS-210 | |
| Dimensões | 2,1 m (C) × 2,1 m (L) × 2,8 m (A) |
| Pegada | 4,41 m² |
| Construção | Ecocomposto de FRP |
| Modelo MPIS-420 | |
| Dimensões | 4,2 m (C) × 2,1 m (L) × 2,8 m (A) |
| Pegada | 8,82 m² |
| Construção | Liga resistente à corrosão |
| Modelo MPIS-270 | |
| Dimensões | 2,7 m (C) × 2,7 m (L) × 3,1 m (A) |
| Pegada | 7,29 m² |
| Construção | polímero estabilizado por UV |
3. Métricas de desempenho
- Flexibilidade de implantação: realocável em <4 horas (assistido por guindaste)
- Proteção ambiental: classificação IP54 (compatível com IEC 60529)
- Vida útil operacional: >100.000 horas (certificação MTBF)
Princípio da Estrutura

Índice de Estilo

Cenários de Aplicação

A bomba de irrigação agrícola inteligente SINOSO MPIS é particularmente adequada para irrigação agrícola moderna e gerenciamento de drenagem.
Por que escolher a SINOSO
Parceiro de Pesquisa

O SINOSO é uma estação de trabalho de pós-graduação na província de Jiangsu, uma unidade de cooperação em pesquisa, uma base experimental de pesquisa e uma base de treinamento de pós-graduação da Universidade Agrícola da China, Universidade Agrícola de Nanquim, Universidade Hohai, Universidade de Jiangsu, Universidade de Ciência e Tecnologia do Sudoeste, Academia de Ciências Agrícolas de Jiangsu e Instituto de Mecanização Agrícola de Nanquim do Ministério da Agricultura e Assuntos Rurais.




















+86-025-87150950
globalsales@sinosorob.com
+86 18133051944